1. Điện mặt trời sau cao trào FIT: thị trường đang ở đâu?
Hệ quả sau thời kỳ bùng nổ 2019–2021
FIT1 và FIT2 đã tạo nên làn sóng lắp đặt điện mặt trời chưa từng có trong lịch sử năng lượng Việt Nam. Tuy nhiên, sau cao trào là giai đoạn bão hoà, dư thừa công suất và thiếu cơ chế vận hành.
- Hàng nghìn MWp bị cắt giảm công suất.
- Dự án dở dang do thiếu quy hoạch truyền tải.
- Tâm lý thị trường rơi vào trạng thái chờ đợi chính sách mới.
Cạnh tranh khốc liệt trong EPC và phân phối thiết bị
Hàng trăm doanh nghiệp EPC ra đời trong thời gian ngắn. Cạnh tranh về giá, nhân sự, thậm chí “đốt vốn” để lấy công trình khiến thị trường mất cân bằng.
- Nhiều đơn vị rút khỏi cuộc chơi.
- Nhà cung cấp thiết bị cũng bước vào giai đoạn thanh lọc, chọn lọc đối tác chiến lược.
Xu hướng giảm biên lợi nhuận, gia tăng áp lực chi phí đầu vào
Giá thành thiết bị tuy giảm, nhưng chi phí nhân công, vận tải, giấy phép lại tăng. Các EPC nhỏ khó kiểm soát được giá vốn và bị bóp nghẹt lợi nhuận.

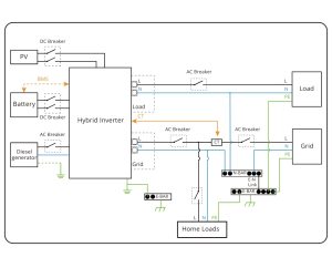
2. 2025 – Năm bản lề cho mô hình hybrid và lưu trữ điện năng
BESS: từ lựa chọn thành bắt buộc?
Pin lưu trữ (BESS – Battery Energy Storage System) từng là lựa chọn thêm, giờ trở thành giải pháp không thể thiếu khi:
- Lưới không tiếp nhận điện.
- Giá bán điện thấp, khó hoàn vốn nhanh.
- Doanh nghiệp muốn sử dụng tối đa điện tự sản xuất.
Phân tích case hệ hybrid dân dụng vs công nghiệp
- Hộ dân dụng: lắp 5–10kWp, pin lưu trữ 5–10kWh, dùng vào buổi tối, giảm phụ thuộc EVN.
- Nhà máy/xưởng sản xuất: hybrid 100kWp–500kWp, kèm 100–200kWh pin, sử dụng khi peak-load hoặc chống cắt điện đột ngột.
Hiệu quả phụ thuộc vào profile tiêu thụ và biểu giá điện.
Tác động của giá điện EVN & chính sách Net Metering (nếu có)
Nếu EVN triển khai Net Metering hoặc biểu giá điện bậc thang cao hơn, thì hybrid + lưu trữ trở thành bài toán kinh tế hấp dẫn hơn bao giờ hết.

3. Góc nhìn EPC: Cơ hội nào cho nhà thầu chuyên nghiệp?
Thị trường mới nổi: điện mặt trời mái cho xưởng may, nhà kho, logistic
Các khu công nghiệp vệ tinh, khu chế xuất tại Bắc Ninh, Bình Dương, Long An,… đang mở ra nhu cầu lớn:
- Mái rộng, ít bị cắt điện.
- Chủ đầu tư quan tâm ESG, carbon footprint.
- Có thể kết hợp lưu trữ để chống peak-load.
Yêu cầu kỹ thuật ngày càng cao: DC over-sizing, AI monitoring, safety compliance
Không còn kiểu lắp cho có – giờ đây, hệ thống phải đạt:
- DC/AC ratio tối ưu 1.2–1.4
- Monitoring online qua AI, phân tích nhiệt độ, điện áp từng string
- Tuân thủ quy định PCCC, chống sét, earthing,…
Áp lực quản lý đội thi công, commissioning và vận hành
EPC không còn đơn thuần là “thi công xong là xong”, mà phải:
- Đào tạo đội ngũ commissioning, test độc lập.
- Bàn giao tài liệu kỹ thuật, bảo hành chuẩn chỉnh.
- Có bộ phận O&M chuyên nghiệp, sẵn sàng xử lý sự cố.
4. Chuỗi cung ứng thiết bị đang thay đổi thế nào?
Biến tần: Deye, Sungrow chiếm ưu thế, SMA & Solis gặp cạnh tranh
- Deye đang nổi bật với hybrid inverter 3P và dòng lưu trữ 5–10kW.
- Sungrow duy trì thị phần nhờ chất lượng ổn định và hỗ trợ kỹ thuật tốt.
- Các thương hiệu Âu – Mỹ như SMA, Solis chịu áp lực vì giá và hậu mãi.
Tấm pin: TopCon & HJT đang vượt Mono PERC ở các dự án MWp
- N-type TopCon (Jinko 635W, JA 615W) có hiệu suất cao, ít suy giảm.
- HJT (Meyer Burger, Risen) có tiềm năng ở phân khúc rooftop premium.
- Mono PERC vẫn chiếm thị phần lớn nhưng đang chững lại.
Pin lưu trữ: Lithium rack-mount, low voltage vs high voltage
- Dân dụng: Low voltage (48V) phù hợp chi phí & dễ đấu nối.
- Công nghiệp: High voltage (150–600V) tối ưu hiệu suất và số lượng module.

5. Chiến lược cho nhà phân phối & đại lý trong giai đoạn chuyển tiếp
Không chỉ bán hàng, mà phải bán giải pháp
Đại lý phân phối cần chuyển đổi từ “chuyển hàng” sang “tư vấn & hỗ trợ kỹ thuật”. Khách hàng hiện tại đòi hỏi:
- Tính toán hoàn vốn cụ thể.
- So sánh công nghệ.
- Kết hợp hệ hybrid, lưu trữ.
Vai trò của đội kỹ thuật hỗ trợ hậu mãi và đào tạo
Chính sách bảo hành và hậu mãi quyết định lòng tin khách hàng. Các nhà phân phối nên:
- Tổ chức đào tạo lắp đặt, bảo trì.
- Có hotline kỹ thuật 24/7.
- Kết nối chặt với hãng để xử lý bảo hành nhanh chóng.
Cơ hội mở rộng thị trường tỉnh lẻ – các khu công nghiệp vệ tinh
Thị trường TP lớn đang bão hòa, trong khi các tỉnh như Bắc Giang, Thanh Hoá, Bình Phước,… lại bùng nổ nhu cầu, đặc biệt trong:
- Xưởng gia công, logistic
- Trang trại nông nghiệp
- Nhà máy nhỏ với hoá đơn điện cao
6. Kết luận
“Điện mặt trời không chết – nó chỉ đang chọn lọc lại những ai đủ năng lực để đi tiếp.”
— Trích phát biểu tại Diễn đàn Năng lượng Tái tạo Việt Nam 2025
Cơ hội vẫn còn – rất nhiều. Nhưng không dành cho người làm hời hợt, thiếu kế hoạch.
Doanh nghiệp EPC, nhà phân phối, đại lý cần:
- Thích nghi nhanh với xu hướng hybrid & lưu trữ
- Đầu tư vào kỹ thuật, giám sát và chăm sóc khách hàng
- Định vị lại vai trò: từ người bán → người đồng hành cùng giải pháp năng lượng xanh

👉 Liên hệ ngay Phú Thành Eco để được tư vấn, báo giá và lắp đặt biến tần solar chính hãng với chi phí hợp lý và dịch vụ chuyên nghiệp nhất!
————————————————————
PHU THANH ECO – Nhà phát triển năng lượng sạch hàng đầu Việt Nam.
Hotline: 0936.145.739
Website: www.phuthanheco.vn
Email: phuthanheco@gmail.com
#PhúThànhECO #NăngLượngMặtTrời #ChuyểnĐổiXanh #HệThốngĐiệnNăngLượng #NăngLượngTáiTạo #TổngThầuEPC




